RocksDB源码-0x0C-Version

1 什么是Version

配合manifest中的内容看更直观 RocksDB源码-0x08-MANIFEST文件

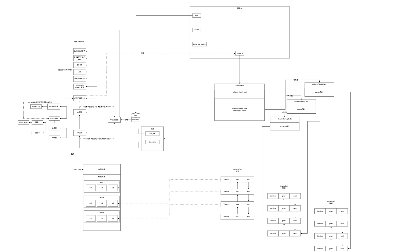
RocksDB两手抓,一手抓没持久化的数据在内存,一手抓持久化的数据在SST,回放内存数据靠wal,溯源数据在SST的分布情况也需要一个机制,一类比wal就唤出了VersionSet。

从某个具体的CF视角看,它的每次SST变更就会产生一个VersionEdit,一群VersionEdit组成的概念就是这个CF的Version。再把视角扩大到所有CF,就形成了VersionSet。

通过VersionSet,RocksDB就能拿着key定位到这个key在哪个sst文件里面。

2 盘点VersionSet

3 VersionSet的代码结构

3.1 构造DB的时候构建默认的VersionDB对象

1
2
3
4
5
versions_.reset(new VersionSet(
dbname_, &immutable_db_options_, mutable_db_options_, file_options_,
table_cache_.get(), write_buffer_manager_, &write_controller_,
&block_cache_tracer_, io_tracer_, db_id_, db_session_id_,
options.daily_offpeak_time_utc, &error_handler_, read_only));

3.2 ColumnFamilySet

在VersionSet的构造函数中也会构造个默认的column_family_set

1
2
3
4
: column_family_set_(new ColumnFamilySet(
dbname, _db_options, storage_options, table_cache,
write_buffer_manager, write_controller, block_cache_tracer, io_tracer,
db_id, db_session_id)),

3.3 CF的映射

在ColumnFamilySet通过map映射CF的信息

1
2
3
4
// 列簇名字映射到列簇编号
UnorderedMap<std::string, uint32_t> column_families_;
// 列簇编号映射到列簇 在列簇的信息里面有个current指针 这个指针指向当前列最新的Version链表结点
UnorderedMap<uint32_t, ColumnFamilyData*> column_family_data_;

3.4 CF怎么找到自己的Version

在上面ColumnFamilySet里面根据CF的编号索引到ColumnFamilyData后,在Data里面用current指针指向自己的Version

1
2
// 列簇的Version链表 这个current指针指向的是在链表中最新的 也就是链表尾的结点 每个Version链表结点就是真实的每次的VersionEdit
Version* current_; // == dummy_versions->prev_

3.5 Version的结构

Version的数据结构是双链表

1
2
3
// 对SST的变更生成了一次VersionEdit 在时间序上形成双链表结构 每次有新生成一个VersionEdit就串到链表尾 然后把CF里面的current指针指过来
Version* next_; // Next version in linked list
Version* prev_; // Previous version in linked list

4 启动的时候从manifest构建恢复VersionSet

VersionSet中有个函数Recover负责从manifest文件中重建VersionSet

4.1 从CURRENT里面看看MANIFEST是哪个

1
2
3
4
// 从CURRENT文件中拿到当前的manifest文件名
std::string manifest_path;
Status s = GetCurrentManifestPath(dbname_, fs_.get(), is_retry,
&manifest_path, &manifest_file_number_);
RocksDB源码-0x07-CURRENT文件 RocksDB源码-0x08-MANIFEST文件

4.2 读manifest文件

1
2
// 顺序读取整个manifest文件 回放所有的VersionEdit 生成当前的version 至此RocksDB知道了自己有哪些sst 这些sst在第几层 key range是什么
handler.Iterate(reader, &log_read_status);

4.2.1 读取日志记录

对于manifest,RocksDB把它和wal一样对待,都抽象成日志,所以读的时候单位是一条条日志记录而不是简单的一行一行

1
reader.ReadRecord(&record, &scratch)
RocksDB源码-0x0F-日志记录里面有详细的解读

4.3 反序列化

1
2
// 从manifest中拿到的一个个日志记录 拿到的是二进制 反序列出来得到对应的VersionEdit
s = edit.DecodeFrom(record);

序列化/反序列化是协议设计的选择和方案实现,在RocksDB源码-0x0D-协议设计TLV里面有全面的介绍和RocksDB的手搓TLV的解析

4.4 VersionEdit回放到VersionSet

上面反序列化拿到了VersionEdit

4.4.1 怎么还有事务的事情

1
2
3
4
5
6
7
8
9
10
11
12
13
14
15
16
17
18
19
20
21
22
23
24
25
26
27
28
29
30
31
32
33
34
35
36
37
38
39
40
41
42
43
44
45
46
47
48
49
50
51
52
// 一个VersionSet可能是单独的 也可能是属于一个事务组的
// 单独的好办直接回放到VersionSet就行
// 属于事务组的就要保证要么全部成功要么全部不要
if (edit.IsInAtomicGroup()) {
/**
* 首先理解为什么VersionEdit会有事务概念
* 举个例子 现在发生一次sst的compaction
* 要把L1层的100.sst和L1层的101.sst合并成L2层的200.sst
* 在磁盘上的步骤是
* 1 写入200.sst
* 2 删除100.sst
* 3 删除101.sst
* 在manifest对应的应该就是3个VersionEdit
* 1 DeleteFile(L1, 100)
* 2 DeleteFile(L1, 101)
* 3 AddFile(L2, 200)
* 这3个VersionEdit就必须得是在一个事务里面保证在恢复VersionSet的时候是原子的
* 为什么呢 如果在2之后3之前宕机了 然后在重启恢复VersionSet的时候没以讲究事务语义就这么一条条VersionEdit进行恢复 最终重启后VersionSet里面
* 1 DeleteFile(L1, 100)=>L1的100.sst被删除了看不到了
* 2 DeleteFile(L1, 101)=>L1的101.sst被删除了看不到了
* 3 AddFile(L2, 200)=>crash导致没有被恢复到VersionSet VersionSet自然看不到L2的sst.200
* 所以这就必须要求事务的原子性
*/
if (read_buffer_.IsFull()) {
/**
* 一个事务组的VersionEdit凑齐了才一起回放到VersionSet里面
* 怎么保证事务呢 下面代码可以分成3个阶段 最核心的就for循环
* 1 OnAtomicGroupReplayBegin
* 2 for循环
* 3 OnAtomicGroupReplayEnd
* 这是标准的事务处理范式 但是那是针对恢复文件 需要在文件内容的开头跟结尾打上标识表示一个事务的完整性
* 但是现在是把VersionEdit恢复到VersionSet VersionSet是在内存里面 所以事情就变得简单了
* 在for循环逐个回放VersionEdit 只要但凡一个VersionEdit有问题就最终会导致s.ok()不成立
* 最终也会带着外层的while循环跳出进而当前函数返回false 调用方也会感知到恢复VersionSet这件事实 重启和Open失败
* 这个设计在工程上我觉得很合理
* 比如有3个VersionEdit在事务 回放到第2个的时候有问题了 也就是说内存操作出问题了 前面已经回放到内存上的那1个我自然不用管了 因为最终整个Open或者重启都会失败 整个进程都没的了
*/
s = OnAtomicGroupReplayBegin();
for (size_t i = 0; s.ok() && i < read_buffer_.replay_buffer().size();
i++) {
auto& e = read_buffer_.replay_buffer()[i];
s = ApplyVersionEdit(e, &cfd);
if (s.ok()) {
recovered_edits++;
}
}
if (s.ok()) {
read_buffer_.Clear();
s = OnAtomicGroupReplayEnd();
}
}
}

4.4.2 VersionEdit真正的核心

1
s = ApplyVersionEdit(edit, &cfd);

RocksDB源码-0x0C-Version
https://bannirui.github.io/2026/02/03/RocksDB/RocksDB源码-0x0C-Version/
作者
dingrui
发布于
2026年2月3日
许可协议